电话:028-85088879
传真:028-85063076
邮编:610041
分子公司
English
股份网站
集团网站群
查看更多网站 >>
首 页
公司概况
新闻资讯
业务领域
企业文化
企业党建
人力资源
信息公开
公司要闻
改革动态
招投标信息
动态公告
媒体导读
理论学习
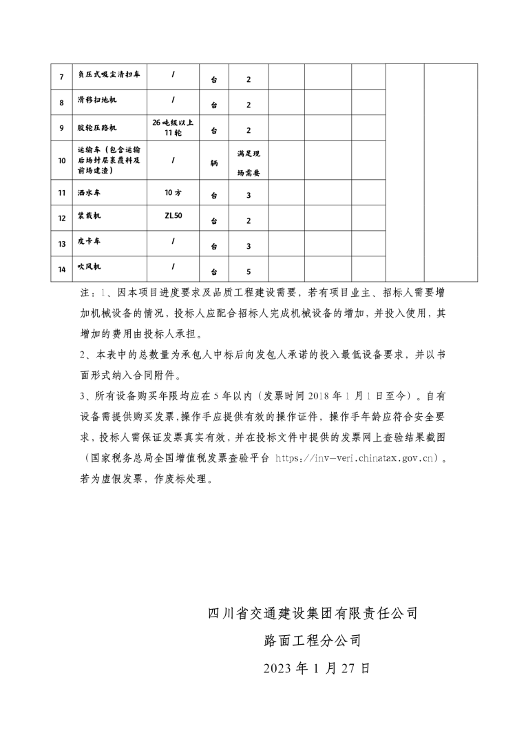
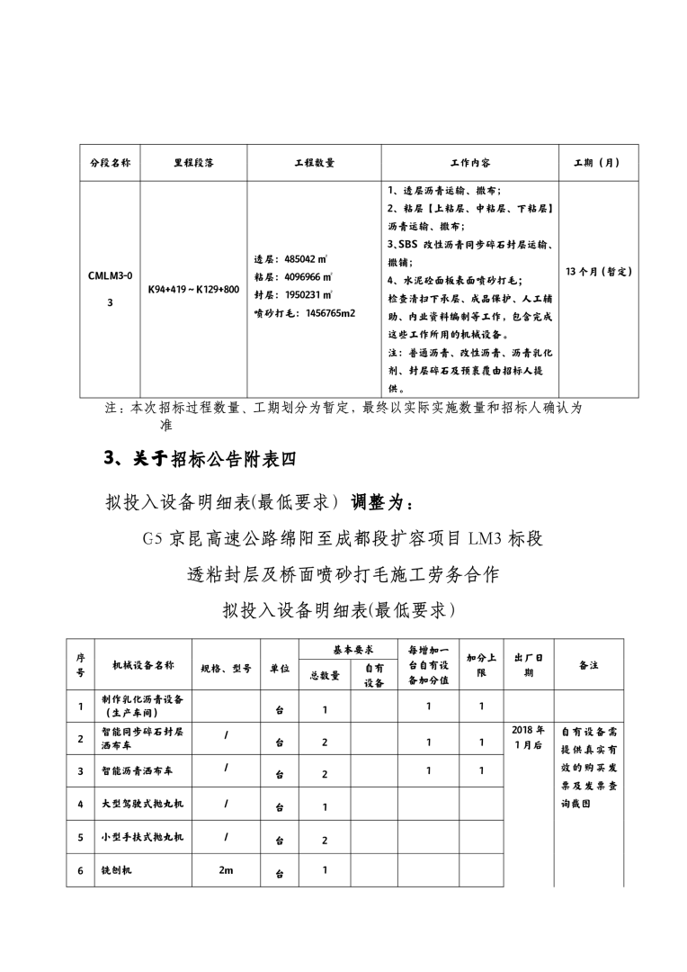
G5京昆高速公路绵阳至成都段扩容项目LM3标段透粘封层施工劳务合作 补遗书 第2号
发布时间:
2024-01-27
人点击